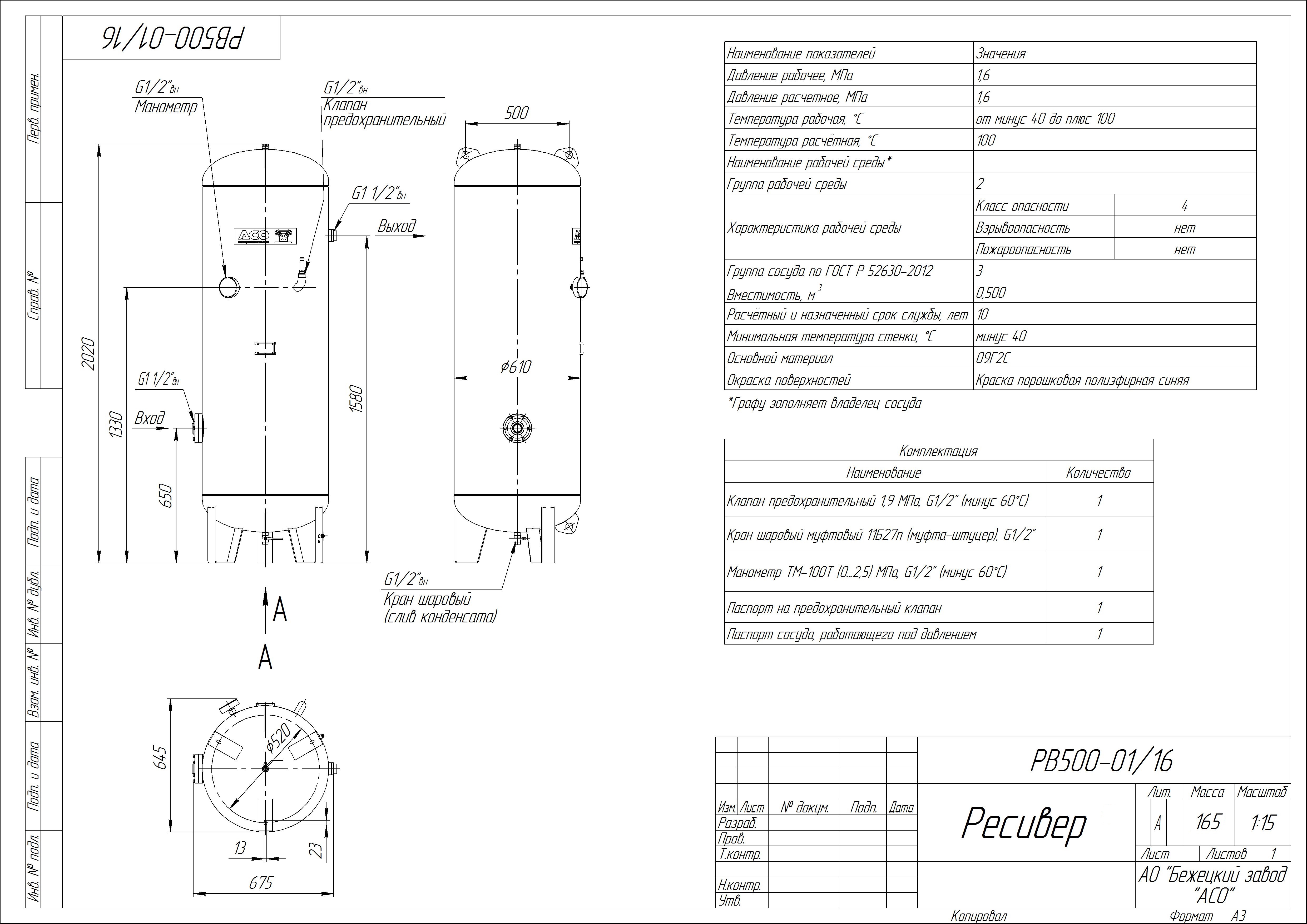
Ресивер воздушный РВ 500-01/16
Габариты составляют 68х65х202 см, масса 165 кг. Наружное покрытие - порошковая полиэфирная краска. Срок службы - 10 лет. Расчетное число циклов нагружения - 4,9 х 104.
Бежецкие ресиверы из стали 09Г2С входят в группу ресиверов уличного исполнения и применение в цеховых условиях делает их практически «вечными». Они отлично переносят повышенные нагрузки как силовые, так и механические, в том числе резкие перепады температуры.
Конструкция ресивера РВ 500-01/16 предусматривает проведение технического освидетельствования, обслуживания, ремонта, контроля состояния отдельных узлов. Манометр позволяет контролировать давление при обслуживании, а предохранительный клапан обеспечивает дополнительную безопасность эксплуатации. Благодаря высокому качеству материалов и подтвержденной расчетами прочности, ресивер может эксплуатироваться с заданными рабочими характеристиками в течение всего срока службы.
Комплектация воздушного ресивера РВ 500-01/16
- КЛАПАН ПРЕДОХРАНИТЕЛЬНЫЙ 810sGK DN15 PTFE 4,5 МПа, G1/2
Компания «Goetze KG»—компания, которая изготавливает оборудование для работы с криогенными жидкостями и газами, с вакуумом, с высоким и сверхвысоким давлением, с криогенными и сверхвысокими температурами. Данное устройство служит надёжным барьером, предотвращающим аварийные ситуации, связанные с превышением допустимого давления в системе, и гарантирующим сохранность производственной инфраструктуры. Широкая сфера применения предохранительных клапанов охватывает практически все отрасли промышленного производства, где существует необходимость в защите оборудования от потенциально опасных скачков давления рабочей среды.
- КРАН ШАРОВОЙ DN15 (муфта-штуцер)
Компания «LD Pride» продолжает развиваться и улучшать свою деятельность. Она постоянно совершенствует производственные процессы, внедряет новые технологии. Это главный принцип работы компании. В ассортименте продукции компании особое место занимают шаровые краны — компактные и надёжные запорные устройства, обеспечивающие полную герметичность трубопроводных систем. Благодаря продуманной конструкции и высококачественным материалам изготовления, эти устройства эффективно перекрывают поток рабочей среды (жидкости или газа) и отличаются длительным сроком эксплуатации.

- МАНОМЕТР ТМ100Т (0…4,0) МПа G1/2
Фирма РОСМА занимает ведущие позиции среди российских производителей высокоточных измерительных приборов. Манометр Росма ТМ100Т представляет собой профессиональный измерительный прибор с диапазоном измерения 0–2,5 МПа и резьбовым присоединением G1/2, предназначенный для контроля избыточного давления в различных технологических системах. Преимущества данного измерительного устройства включают:
Высокую точность показаний благодаря качественному механизму на основе трубки Бурдона, надёжную конструкцию с корпусом из прочной стали и защитным минеральным стеклом, широкий диапазон рабочих температур (от -60°C до +60°C для окружающей среды и до +150°C для измеряемой среды).
Для подбора ресивера свяжитесь со специалистом отдела продаж.
Задать вопрос
При вводе в эксплуатацию ресивер не подлежит регистрации в органах Ростехнадзора, так как для сосудов, работающих со средой 2-й группы (согласно ТР ТС 032/2013) при температуре стенки не выше 200°С, произведение значений рабочего давления (МПа) и вместимости (м3) не превышает 1,0 (п.215 ФНП).Перед запуском в эксплуатацию ресивер должен пройти первичное техническое освидетельствование ответственным лицом. При первичном освидетельствовании необходимо:
- проверить представленную техническую документацию;
- провести визуальный контроль наружной поверхности ресивера;
- проверить оснащенность контрольно-измерительными приборами и предохранительными устройствами в соответствии с требованиями технической документации;
- проверить соответствие монтажа требованиям технической документации.
Периодическое техническое освидетельствование проводятся с целью установления исправности ресивера и возможности его дальнейшей эксплуатации. При периодических освидетельствованиях необходимо:
а) проверять техническую документацию - не реже раза в год;
б) производить наружный осмотр всех сварных швов и поверхности ресивера — paз в два года;
в) производить внутренний осмотр коррозионного состояния стенок ресивера, при необходимости провести измерительный контроль толщины стенок ресивера — раз в два года;
г) провести гидравлическое испытание пробным давлением - через 8 лет (в последующем – по результатам диагностирования ресивера). Гидравлическое испытание должно проводиться только при удовлетворительных результатах визуального и измерительного контроля.
Внеочередное освидетельствование ресивера, находящегося в эксплуатации, проводят в следующих случаях:
- если ресивер не эксплуатировался более 12 месяцев;
- если ресивер был демонтирован и установлен на новом месте;
- если произведены реконструкция или ремонт ресивера с применением сварки или пайки элементов, работающих под давлением;
- после происшедшего инцидента или аварии ресивера;
- по предписанию ответственного за осуществление производственного контроля за соблюдением требований промышленной безопасности при эксплуатации ресивера.
Ремонт ресивера заключается:
- в обеспечении работоспособного состояния;
- в восстановлении защитного покрытия;
- замене арматуры, контрольно-измерительных приборов и предохранительных устройств, состояние которых не обеспечивает надежность их дальнейшей работы.
До начала производства работ ресивер должен быть отсоединен от воздухопроводов, продут, при необходимости просушен. Не допускается ремонт ресивера, находящегося под давлением.
Стандартная схема пневмосистемы на предприятии включает установку воздушного ресивера, магистрального фильтра, осушителя воздуха, редуктора давления. В каталоге продукции вы сможете подобрать необходимые комплектующие для монтажа пневмосистемы.

В разделе Техническая документация представлены:
Характеристики
|
Объем, л.
|
500 |
|
Давление, атм.
|
16 |
|
Исполнение
|
Вертикальный |
|
Вход/выход, дюйм
|
1" |
|
Условия эксплуатации, °C
|
от -40 до +100 |
|
Марка стали
|
09Г2С |
|
Наружное покрытие, полиэфирная порошковая краска
|
RAL 5010 |
|
Срок службы, лет
|
10 |
|
Габариты, см
|
68х65х202 |
|
Масса, кг
|
165 |




































